Đặc Điểm Máy Bơm Bánh Răng Cánh Quạt LC :

Bơm dạng bánh răng LC sản xuất bởi HEIBEI HENGSHEN có hai kiểu truyền động, một là truyền động bằng đai, hai là truyền động bằng bánh răng giảm tốc. Bơm LC có ưu thế tốc độ quay thấp, hiệu suất tự mồi cao, ít tiếng ồn, lưu lượng lớn, điện năng hao tốn thấp. Bơm LC này được sử dụng rộng rãi trong vận chuyển dầu, và các sản phẩm từ dầu (khi vận chuyển ga, cần sử dụng bơm lá đồng) và vận chuyển rất nhiều loại dầu hay chất lỏng tương đương như sơn, chất bôi trơn, xi măng cốt thủy tin, axit gốc dầu, kem đánh răng và kiềm lỏng ( chế biến xà phòng). Dùng trong công nghiệp chế biến thực phẩm, chế biến các loại nước như nước sốt đậu, đường mạch nha,...Khi tải các chất lỏng trên băng tải, xe chở dầu, Máy bơm có khả năng đẩy về trước và hút trở lại. Đặc tính của Bơm LC là tốc độ quay cao, hiệu quả cao, và dễ vận hành.

Bơm bánh răng thùy LCW độ nhớt cao được thiết kế và chế tạo dựa trên bơm LC để vận chuyển dầu bitum và dầu cle. Các lớp cách điện được thêm vào bên ngoài vỏ bơm hoặc lớp sau cùng của nắp. Nó giữ cho buồng bơm cách nhiệt bằng cách sử dụng hơi nước hoặc vòng tuần hoàn dầu dẫn nhiệt, vì vậy có thể cung cấp điều kiện làm việc thuận lợi cho bơm vận hành liên tục và không gián đoạn.
Cấu trúc của bơm LC của bơm LC10/0.6 - 38/0.6

Cấu trúc của bơm LC của bơm LC50/0.6 - 100/0.6

Nguyên Lý Hoạt Động

Bơm LC là bơm bánh răng vận chuyển tích cực, Động lực được truyền từ trục đến các bánh răng. Một cặp bánh răng đồng bộ hóa điều khiển xoay đồng bộ vi sai để phân chia không gian làm việc của máy bơm vào vùng áp suất thấp và vùng áp suất cao. Chất lỏng liên tục bị hút vào vùng áp suất cao và được tách ra vào vùng áp suất thấp, nhờ đó quá trình lưu chuyển bơm diễn ra liên tục.
Thông Số Kỹ Thuật Của Máy Bơm Bánh Răng Thùy Quay LC10/0.6
| MODEL | Lưu Lượng | Tốc Độ r/m | Áp Lực MPa | Kích thước cổng | Công Suất kW | Ứng Dụng |
| LC10/0.6 | 10 m3/h | 400 | 0.6 | 50 mm | 4 | Dầu Diesel, dầu cơ khí, glycerin, xăng, kem đánh răng, dầu ăn, dầu nặng |
Tham Khảo Các Dòng Bơm LC Khác Tại Đây
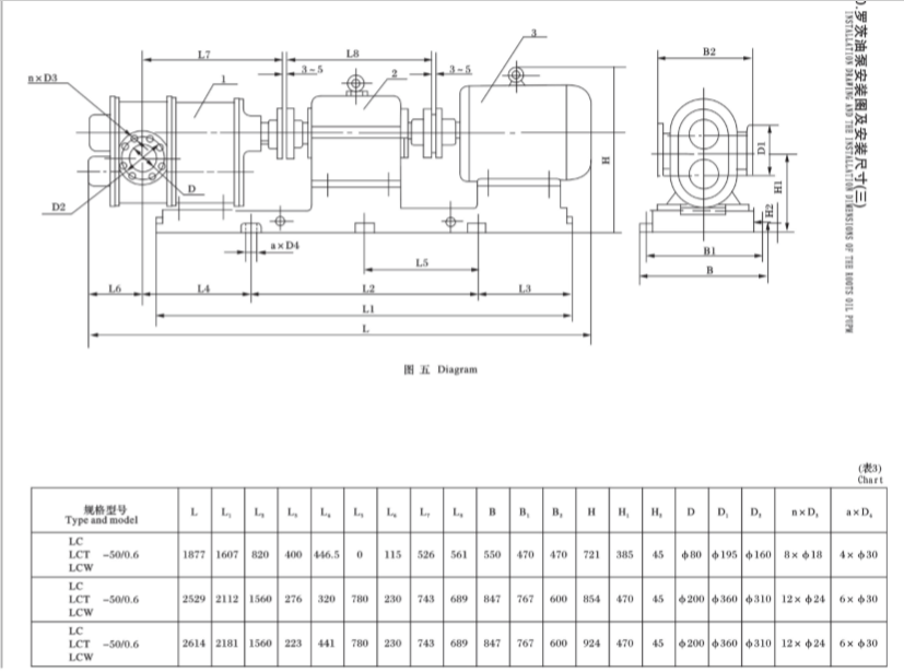
Kích Thước của bơm LC của bơm LC10/0.6 - 38/0.6

Mọi thắc mắc xin vui lòng liên hệ HOTLINE để được tư vấn trực tiếp về sản phẩm :
Công ty Cổ Phần Bơm Việt Nhật
+ Số điện thoại :0986 4 8888 6
+ Địa chỉ liên hệ : 41.1 và 42.1 Lô C, Tổ 19, Hoàng Mai, Hà Nội
+ Email : bomvietnhat@gmail.com.
Bơm Dạng Bánh Răng LC10/0.6
Liên hệ