Đặc Điểm Máy Bơm Dạng Bánh Răng YCB :

Bơm dạng bánh răng YCB25/0.6 sản xuất bởi HEBEI HENGSHEN là loại bơm ăn khớp ngoài, được ứng dụng rộng rãi trong ngành công nghiệp dầu khí, tái chế dầu, nhiên liệu, dầu đốt lốp, công nghiệp hóa dầu ( được sử dụng như một bơm truyền tải hoặc bơm tăng áp trong hệ thống lưu chuyển nhiên liệu). Bơm YCB còn được sử dụng để bơm dầu bôi trơn, dầu máy hoặc các chất lỏng tương đương có độ nhớt cao từ từ 5 x10-6 ~ 1.5 x 10-3 m2 / s (5-1500cSt). Bơm YCB còn được sử dụng trong ngành công nghiệp chế biến thức phẩm, thức ăn chăn nuôi, mía đường.
Bơm bánh răng YCB có cấu tạo đơn giản, là dòng bơm chịu được áp suất trung bình (0.6 - 1.6 MPa), có khả năng tự mồi quá trình vận hành bơm diễn ra liên tục. Bơm bánh răng YCB có thiết kế dễ tháo lắp, dễ dàng thay thế, giá thành phải chăng cạnh tranh với các sản phẩm cùng chủng loại trên thị trường.

Cấu tạo của máy bơm YCB gồm các bộ phận : các bánh răng, trục, thân bơm, nắp bơm, phớt trục (yêu cầu đặc biệt đối với dẫn động từ có cấu trúc rò rỉ bằng không), v.v. Đây là dòng máy bơm bánh răng sử dụng bạc, dùng để hút các dung dịch đậm đặc tốt hơn máy bơm sử dụng vòng bi, Bởi khi dùng máy bơm bánh răng thân inox sử dụng vòng bi sẽ dây gây ra ép nén bi, sử dụng thời gian ngắn sẽ bị rơ bi gây ra hỏng phớt. Các bánh răng được thiết kế hình vòng cung hình sin, làm cho bánh răng không bị trượt trên bánh răng khác, làm ít bị mòn khi vận hành, vòng quay ổn định, tiếng ồn thấp, tuổi thọ và hiệu suất nâng cao. Loạt model YCB đã thoát khỏi những thiết kế lối mòn và mang tính đột phá trong công nghệ mới, cải tiến hiệu suất làm việc. Áp suất dòng chảy cao hơn 1.5 lần so với áp suất xả định mức của máy bơm. Nó có thể được sử dụng trong phạm vi dung sai của áp suất khí thải theo chu kì. Nhưng xin lưu ý rằng van an toàn không thể được sử dụng như van giảm áp trong thời gian dài. Nếu cần thiết bạn có thể cài đặt van giảm áp riêng biệt trên đường ống để giảm áp suất. Có 2 loại phớt được sử dụng đó là phớt cơ khí và phớt tút, được lựa chọn theo yêu cầu của khách hàng trong các điều kiện ứng dụng và và hoàn cảnh sử dụng bơm. Hướng quay của bánh răng theo chiều kim đồng hồ nếu nhìn từ trục chính đến bơm.
Trong quá trình chạy thử cần chú ý đến phớt, nếu có dầu rò rỉ, hãy vặn chặt thêm. Nhưng nếu vặn quá chặt sẽ gây nóng phớt. Máy bơm vận hành bình thường sẽ không có tiếng ồn, nếu có tiếng ồn bất thường, hãy ngắt điện ngay lập tức để kiểm tra độ khít của trục bơm và động cơ, kiểm tra tình trạng động cơ. Không gian đặt máy cần thông thoáng, không để đồ đạc, dụng cụ cạnh bơm khi đang hoạt động.

Thông Số Kỹ Thuật Của Máy Bơm Dạng Bánh Răng Ăn Khớp Ngoài YCB25/0.6
| MODEL | Lưu Lượng m3/h | Tốc Độ r/m | Áp Lực MPa | Đẩy Cao m | Trọng lượng kg | Công Suất kW |
| YCB25/0.6 | 30 | 1170 | 0.6 | 5.5 | 223 | 11 |
Tham khảo thêm các model Bơm khác tại Đây


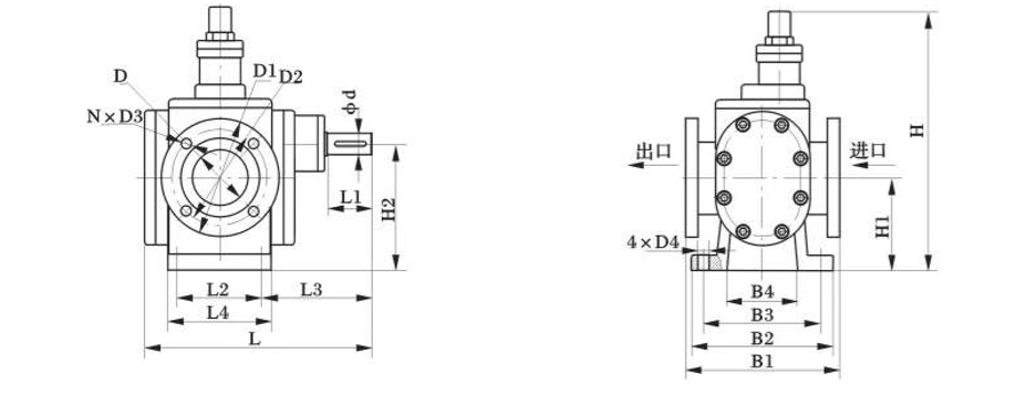
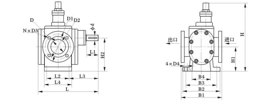
Kích Thước Máy Bơm Dạng Bánh Răng YCB

Mọi thắc mắc xin vui lòng liên hệ HOTLINE để được tư vấn trực tiếp về sản phẩm :
Công ty Cổ Phần Bơm Việt Nhật
+ Số điện thoại :0986 4 8888 6
+ Địa chỉ liên hệ : 41.1 và 42.1 Lô C, Tổ 19, Hoàng Mai, Hà Nội
+ Email : bomvietnhat@gmail.com.
Máy Bơm Bánh Răng YCB25/0.6
Liên hệ