Đặc Điểm Máy Bơm Dạng Bánh Răng YCB-G :

Bơm dạng bánh răng YCB25/0.6G
Máy bơm bánh răng cách nhiệt kiểu YCB-G thuộc kiểu bánh răng ăn khớp ngoài của Hengsheng.
Bơm YCB-G được chứng nhận của ISO và SGS.
Phạm vi ứng dụng : Bơm YCB-G được sử dụng trong hệ thống truyền dầu, bơm tăng áp, bơm nhiên liệu, phun, áp suất trong hệ thống, bơm truyền tải thủy lực, bơm dầu bôi trơn...
Dòng máy bơm bánh răng cách nhiệt này được sử dụng để chuyển các phương tiện khác nhau, như dầu nặng, nhựa đường, nhựa, chất tẩy rửa và keo, không bao gồm các hạt rắn và nhiệt độ không cao hơn 300 độ C, với đặc tính hóa rắn dưới nhiệt độ bình thường. ứng dụng cách nhiệt trong công nghệ xử lý và lắp đặt ngoài trời ở khu vực rất lạnh.
Lưu lượng : 0,6-60 m3 / h
Áp suất: 0,6 - 1,6 MPa
Nhiệt độ: -10 ° C ~ 300 ° C
Độ nhớt: 5 ~ 1500cs

Cấu tạo của máy bơm YCB-G : thiết kết theo đường cong hình sin. Nó có thể chuyển nhiều loại môi trường với lưu lượng và áp suất ổn định. Có vỏ cách nhiệt và khớp nối đầu vào và đầu ra trên vỏ bơm, vì vậy nó có thể sử dụng phương tiện truyền thông, chẳng hạn như dầu dẫn nhiệt, nước nóng và nước lạnh để sưởi ấm, giữ ấm và làm mát môi trường được truyền và bơm. Trường hợp ứng dụng chất lỏng có độ nhớt lớn hơn 1500cst, điều chỉnh tốc độ máy bơm giảm.

Các bộ phận chính gồm Thân bơm, Bánh răng, Vỏ ổ trục và ống lót trục (ổ trục trượt), Vòng đệm, Phốt trục. Chúng được làm từ thép hợp kim đảm bảo tuổi thọ cao. Máy bơm có thể tự mồi, không cần đổ dầu trước khi khởi động máy bơm mỗi lần. Nhìn vào bơm từ đầu động cơ, nó quay theo chiều kim đồng hồ (cổng hút bên trái và cổng xả ở bên phải).
1. Thân bơm : Một cặp bánh răng và bốn vòng bi chịu lực được lắp đặt trong hai lỗ trên thân bơm. Các nắp phía trước và phía sau được cài đặt ở phía trước và phía sau. Người dùng có thể kết nối với đường ống dẫn bằng cách sử dụng mặt bích ở cả hai bên, và kết nối với môi trường cách nhiệt để bảo toàn nhiệt của buồng bơm bằng cách sử dụng hai lỗ vít trên đỉnh vỏ bơm.
2. Bánh răng và trục bơm : bánh răng và trục động cơ tạo thành tổ hợp trục bánh răng. Trục bánh răng ở dạng răng xoắn ốc và trục bánh răng dạng xương cá được sử dụng theo các thông số kỹ thuật khác nhau của lưu lượng dòng chảy.
3. Vòng bi và ống lót (ổ trục trượt) Sau khi toàn bộ vỏ ổ trục và ống lót trục được lắp ráp, chúng được đưa vào thân bơm để hỗ trợ vận hành bánh răng.
4. Vòng đệm Các miếng đệm được đặt gọn giữa thân bơm và nắp trước và sau, nhằm để ngăn sự rò rĩ chất lỏng.
5. Phớt trục đóng vai trò phớt làm kín ở đầu trục đầu vào của bơm. Mỗi model của máy bơm có một phớt là kín trục ở nắp trước. Có thể được trang bị phớt cơ khí hoặc phớt tút.

Trong quá trình chạy thử cần chú ý đến phớt, nếu có dầu rò rỉ, hãy vặn chặt thêm. Nhưng nếu vặn quá chặt sẽ gây nóng phớt. Máy bơm vận hành bình thường sẽ không có tiếng ồn, nếu có tiếng ồn bất thường, hãy ngắt điện ngay lập tức để kiểm tra độ khít của trục bơm và động cơ, kiểm tra tình trạng động cơ. Không gian đặt máy cần thông thoáng, không để đồ đạc, dụng cụ cạnh bơm khi đang hoạt động.
Thông Số Kỹ Thuật Của Máy Bơm Dạng Bánh Răng Ăn Khớp Ngoài YCB25/0.6G
| MODEL | Lưu Lượng m3/h | Tốc Độ r/m | Áp Lực MPa | Đường ống mm | Công Suất kW |
| YCB25/0.6G | 25 m3/h | 970 | 0.6 | 80 | 11 |
Tham khảo thêm các model Bơm khác tại Đây

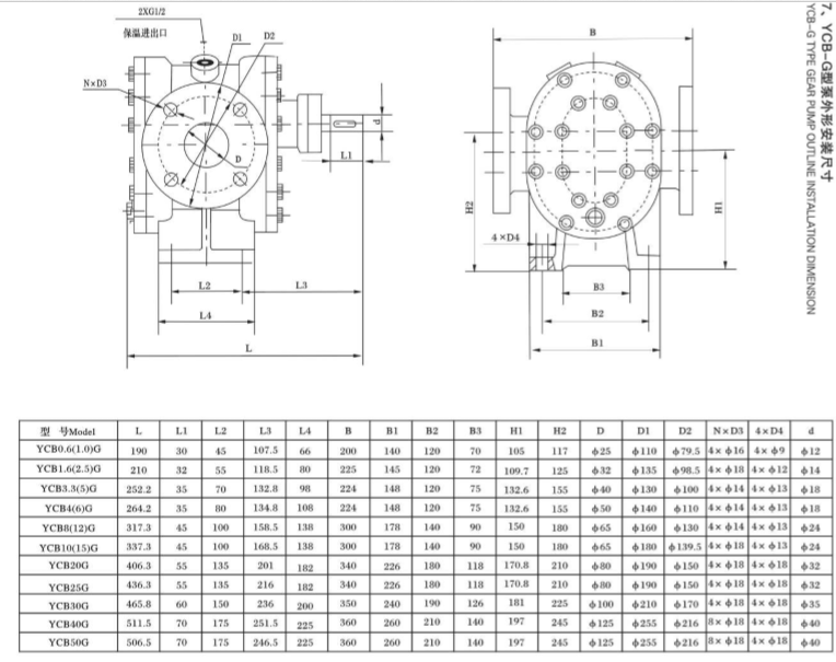
Kích Thước Máy Bơm Dạng Bánh Răng YCB-G

Mọi thắc mắc xin vui lòng liên hệ HOTLINE để được tư vấn trực tiếp về sản phẩm :
Công ty Cổ Phần Bơm Việt Nhật
+ Số điện thoại :0986 4 8888 6
+ Địa chỉ liên hệ : 41.1 và 42.1 Lô C, Tổ 19, Hoàng Mai, Hà Nội
+ Email : bomvietnhat@gmail.com.
Máy Bơm Bánh Răng YCB25/0.6G
Liên hệ